A cikksorozat 2. részében a szerző a vízteres kandallóknál jelentkező rendszerhibák következményeit, és a cserép-, valamint a téglakályhákba épített hőcserélők témakörét tárgyalja meg. (A cikksorozat 1. része itt olvasható el.)
Mi történik akkor, ha rendszerhiba keletkezik pl. áramszünet, szivattyúhiba, csőrepedés?
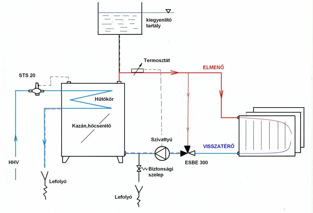
Ekkor a fűtés szilárd tüzelés eseten nem áll le, hanem keringtetés (hőelvétel) hiányában a tüzelőanyag hőenergiája a kazántestet melegíti, és nagyon gyorsan (percek alatt) gőzképződés és nyomásnövekedés lép fel. Ezt hivatott levezetni a biztonsági szelep, amelynek nyitó nyomásértéke 1,5 – 3,5 bar a lakások fűtési rendszereinél. A biztonsági szelep lefúvó vezetékét nem szabad lakótérbe engedni (forrázási veszély); minden esetben zárt rendszerben a lefolyó rendszerbe kötjük a megfelelő szerelési szabályok szerint.
Megjegyzés: nyitott fűtési rendszer esetén a tágulási tartály felső vízszint feletti részében a biztonsági felszállóvezetékben lévő gőz lecsapódik, és a tágulási tartály alsó (hideg) csonkjába bekötött biztonsági leszállóvezetéken keresztül pótolja az eltávozott folyadékot (lásd 8. ábra).
A zárt rendszer esetén a hűtést STS-termikus elfolyószeleppel, hálózati hidegvíz felhasználásával, hűtőkör kialakításával oldhatjuk meg. A termikus szelep érzékelője a kazántestbe van bekötve merülő hüvellyel (7.- 9.ábra) és a mindenkori kazán hőmérsékletet méri. 93 – 95 ∞C esetén a hűtőkörön elhelyezkedő szelep kinyit, és a hálózati hidegvíz a hűtőkörön keresztül lehűti a kazán forró vizét kb. 85 ∞C –ra. (ezt nevezzük a gőzképződés lehetőségét kizáró rendszernek). A hűtőkör elmenő vizét zárt rendszeren keresztül kell elvezetni az előírásoknak megfelelően a csatornarendszerben.
Megjegyzés: nyitott rendszer esetén az STS-termikus elfolyószelep működése megegyezik az előbbiekben leírtakkal.
Áramszünet kivédésére szünetmentes tápegységeket alkalmazhatunk, de legalább 1 – 1,5 órás kapacitásút, és lehetőleg – a szivattyúk kímélése érdekében szinuszos jelleggörbéjűt, mivel a trapézos jelleggörbéjű invertereket nem minden szivattyú viseli el).
A kátrányosodási határ: füstgáz lemez –
víz esetén 53–58 ∞C, ez alatti hőmérsékletnél garantált a tűzifában mindenkor jelenlévő, akár kismértékű (légszáraz fa: 12-14% nedvességtartalom) víz kicsapódása, kondenzációja.
A kazántestben üzemi állapotban a mindenkori vízhőmérsékletnek minimum 60 ∞C értékűnek kell lennie. Ezt ún. kazánvédő-kör kialakításával tudjuk elérni (7.- 9.ábra) ESBE háromutú, 60 ∞C értékű szeleppel. Működésének lényege, hogy a kazánt önkörben működteti a fűtés kezdetén, és miután a víz hőmérséklete meghaladja a 60 ∞C-t, az azon felüli részt engedi a fűtési rendszerbe. Ez kezdetben ciklikus lökéshullámokkal indul, majd 10 – 15 perc elteltével, egyenletes fűtés esetén, a rendszer „beáll”, és a radiátorokon egyenletesen megjelenik a 60- 70 ∞C hőmérséklet.
Természetesen a fűtésrendszereknek minden egyéb feltételnek is meg kell felelni, amit a 63/2004 (IV.27) GKM rendelet a nyomástartó és töltőlétesítmények műszaki-biztonsági hatósági felügyeletéről tartalmaz.
Három bekötési vázlat az előbbiek magyarázatára



Együttműködés a fűtésszerelővel



Egy vízteres cserépkályha építésének fázisai
Az előzőekben leírtak esetében, a gyártók késztermékeit építjük össze adott útmutatások, műbizonylatok alapján. Amennyiben a kandallóépítő, valamint a fűtésszerelő betartja a műbizonylati útmutatásokat, szabályokat, akkor a kivitelezett működő berendezések emelik a szakmák ázsióját.
Hőcserélők beépítése cserép– és téglakályhákba
Az cserépkályhák építését az MSZ EN 15544:2023 szabvány alapján, kályha méretezési programok alapján végezük. Az égéslevegőt méretezett légcsatornán keresztül külső levegő bevezetésével biztosítjuk (ezt nevezik zárt rendszernek).
Amennyiben a helyiség légteréből vételeznénk az égéslevegőt, a fokozott légzárású ajtók, ablakok, valamint a nagyteljesítményű konyhai elszívók a levegő gravitációs áramlásába beleavatkoznak, illetve oxigénhiányos állapotot hoznak létre. (ezt nevezzük nyitott rendszernek).
Megjegyzés: Az érvényben lévő szabályok szerint új létesítményekben csak zárt rendszerrel üzemelhetnek a kályhák/kémény áramkör.
Egy példában legyen a fűtendő lakótér hőigénye 4 kW, ez alapján tudjuk a kályhaméretezési program segítségével a kályha méretét, teljesítményét meghatározni és különböző formációkban megépíteni.
Az alapkivitelű cserépkályha teljesítménye vizsgálható: a kályha tűztérfenekét 33 cm magasságú, 5-8 cm-re hasított, élére állított tűzifával telerakjuk, (a tűztérfenék minden 100 cm2 -ére 1 kg mennyiséget számolhatunk), ez a maximális tüzelőanyag mennyiség az adott kályhára. A minimálisán rárakható a maximum 50%-a.
Vegyünk példának egy kályhát, amelynek tűzterében 15 kg tűzifát egyszere elégetünk 1,5-1,7 óra alatt, ez kb. 48,6 kWh hőenergiát generál a kályha- testben, amit a 12 órás hőtartású kályha 4 KW teljesítménnyel, túlnyomórészt sugározva ad le, a kályha külső kerámia köpenyén 85-95 oC kezdő hőmérséklettel. Alapvető követelmény a kályhák üzemeltetésénél, hogy a kéményének kitorkolásánál mért hőmérsékletnek min.45 oC értékűnek kell lennie.
Az így megépített kályhák különböző járatrendszerekkel is (lengyel ötösjárat, ikerjárat, csigajárat stb.) kiválóan működnek és évtizedekig működőképesek maradnak.
És most ugorjunk egy nagyot!
Amikor különböző felkészültségű „szakik” több bőrt akarnak lehúzni a cserépkályhákról és beleépítenek vizes patkókat, tartályokat, csőköteges hőcserélőket stb. és rákötik a központi fűtés rendszerbe kapcsolva. Na akkor megborul a kályha működése. A járatokkal épített kályha 100%-ra optimalizálva, méretezett! Az előbbi mintapéldánál a kályhát egyszeri rárakással intenzív tüzeléssel 1,5-2 óra múlva „lapadó parázs” állapotban lezárjuk. A 15 kg tűzifa elégetésével 78% hatásfokkal, a 1500-2000 kg tömegű kályhatestet a forró égéstermék felfűti a járatokon keresztül, és a külső köpenyhőmérséklet 85-90 oC lesz. A kályha tűzterében a hőmérséklet max. 750-850 oC.
(A tűzifa maximális égési hőmérséklete 1050)
Az ötlet adja magát, hiszen nagy a tűztér, szinte üres (fatüzelésű cserépkályhák tűztér magassága 60-90 cm), hát tegyünk bele egy vizes patkót, csőkígyót, lemezes hőcserélőt, stb.
Mit is csinálnak ekkor? Beépítenek egy hőelvonót! Pl. egy „U” alakú tartállyal kibélelik a tűzteret! A „szakik” valami szakirodalomban fellelik, hogy 1 m2 hőátadó felülethez 13 kW elméleti hőátadás tartozik hosszlángcsöves hőcserélők, keresztlángcsöves hőcserélők, vonópálcák vizes táskákban stb. esetén. Sokan nem számolnak azzal, hogy a szabálytalanul hegesztett nyomástartó berendezések túlnyomás esetén kipúposodnak, élvarratai szétnyílnak, megrepednek.
Nem riogatásnak szánom, de lássuk be, a hőcserélők szilárdsági, hőtani méretezése elég komoly feladat és az ötletszerűen legyártott csodák hamar megbosszulják magukat.
De térjünk vissza a cserépkályhába beépített hőcserélőkhöz. Tételezzük fel, hogy a tűztérbe be tudunk helyezni egy 10-12 kW teljesítményű hőcserélőt. Mi történik, ha hagyományosan épített (pl. lengyel ötös járatú) kályhába beleteszünk egy hőelvonót? A kályha alapfunkciója megváltozik és most tegyük félre az első 1-2 begyújtás örömét (jé, melegednek a radiátorok!).
A kályha úgy van méretezve, hogy a tűztérben elégetett tűzifa forró füstgázainak hűtésére beszáll egy nagyteljesítményű hőelvonó, és a kitorkolási hőmérséklet kisebb lesz a harmatponti hőmérsékletnél, így azonnal elindul a hűlés miatti kátrányosodás vándorlása lefelé, akut esetben a kályha járataiba is. Sajnos ez elkerülhetetlen és csak idő kérdése, hogy bontás lesz a vége.
Amennyiben mégis szeretnénk, hogy cserépkályha is legyen, hatékony kazán is legyen, akkor járatnélküli „kerámia” kazántestet célszerű építeni vastag, 15-20 cm falazattal samottból, csempéből (4. kép).


A háromszoros lángterelést a vízcsöves hőcserélő lépcsős eltolása biztosítja (5. kép)
A (6. kép) a hőcserélő tisztítására kialakított tisztító dugókat mutatja.Természetesen az összes előzőekben felsorolt biztonsági berendezések (STS szelep, ESBE 60 ∞C szelep, szünetmentes tápegység, stb.), a kályhatest hátsó falán kilépő elmenő -visszatérő csővezetékek az épület falán átvezetve kapcsolódnak az előírásoknak megfelelő gépészeti egységekhez.


Igazából ez egy öszvér megoldás, egy kicsit kályha egy kicsit kazán (7. kép).
A hosszú üzemelés titka a 2-3 évig szárított tűzifa, évente a hőcserélő és kályhatest tisztítása a tisztítókorongokon keresztűl. És természetesen a stabil üzem a beépített biztonsági, szabályzó rendszereknek köszönhetően.
Cikkemben próbáltam kicsit gépészként, kicsit kályhaépítőként megközelíteni ezt a nem egyszerű és sok vitát kiváló témakört.
Vitéz János
okl. gépészmérnök,
kályhásmester



